
Im Einschaltmoment, wenn die Betriebsspannung 12Va vom Netzteil ansteht, bildet der Kondensator C1 einen Kurzschluss und zieht die Eingänge Pin 1+2 des NAND Gatters IC1a auf GND. Dadurch steuert der Ausgang Pin 3 über den Widerstand R2 den Transistor T1 durch. Transistor T1 entlädt somit bei jedem Einschalten über den Widerstand R3 den Kondensator C2 auf einen nahezu identischen Pegel, womit die Ladezeit von C2 (entspricht der Einschaltdauer des Gerätes) bei jedem Tastendruck annähernd gleich ist. Widerstand R5 arbeitet hierbei als Schutzwiderstand und verhindert, daß die Betriebsspannung von 12Va über den Transistor T1 kurzgeschlossen wird, sollte der Trimmer P1 auf Null Ohm eingestellt sein.
Der durch Transistor T1 erzeugte Low Pegel an den Eingängen Pin5+6 des NAND Gatters IC1b führt zu einem High Pegel an den Eingängen Pin 8+9 des folgenden NAND Gatters IC1c. Dieses Gatter dient nur als Inverter und somit steht an Eingang Pin 12 das NAND Gatters IC1d wieder ein Low Pegel an. Der Eingang Pin 13 des Gatters IC1d liegt durch die direkte Verbindung zur Betriebsspannung immer auf Highpegel. Der High- und Low Pegel an den Eingängen Pin 12+13 des Gatters IC1d lassen dessen Ausgang Pin 11 umgehend auf Highpegel springen wodurch der Transistor T2 über R4 angsteuert wird. Das Relais K1 zieht an und überbrückt sofort den Netztaster, die Netzspannung steht jetzt auch nach Loslassen des Netztasters weiterhin am Trafo an. Die Schaltung bleibt in Betrieb.
Während dessen konnte sich Kondensator C1 über R1 aufladen und dieser High Pegel an den Eingängen Pin 1+2 von IC1a läßt den Ausgang Pin 3 auf Low Pegel springen. Der Transistor T1 sperrt und Kondensator C2 kann sich nun langsam über die Reihenschaltung aus R5 und P1 aufladen.
Hat die Ladespannnung von C2 den Triggerlevel von IC1b erreicht, kippt dessen Ausgang Pin 4 auf Low Pegel, durch den Inverter IC1c springt nun auch Eingang Pin 12 von Gatter IC1d auf High Pegel. Die beiden High Pegel an den Eingängen Pin 12+13 lassen den Ausgang von IC1d auf Low Pegel abfallen und der Transistor T2 sperrt. Das Relais K1 fällt ab, der Transformator erhält keine Netzspannung mehr. Die Schaltung fällt in den Ruhezustand zurück.
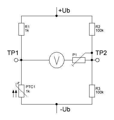
Die eigentliche Schaltung der Thermometer ist schnell erklärt. Das Grundprinzip stellt eine Meßbrücke aus den Spannungsteilern R1/ PTC1 sowie R2 und R3 dar. Bei einer Temperatur von 0C° am PTC1 hat dieser einen Widerstand von 1k Ohm. (Siehe Wertetabelle PT1000) An Testpunkt TP1 liegt jetzt die halbe Betriebsspannung an. Auch der Spannungsteiler aus R2 und R3 ist symmetrisch aufgebaut, daher liegt auch an TP2 die halbe Betriebsspannung an. Es besteht also kein Potentialunterschied zwischen den Testpunkten TP1 und TP2. Das Voltmeter zeigt 0V, entsprechend 0C° an. Steigt nun die Temperatur am PTC1 an, dann steigt auch dessen Widerstand und somit auch die Spannung an TP1 an. Dieser Potentialunterschied zwischen den Testpunkten TP1 und TP2 wird vom Voltmeter angezeigt. Mit P1 läßt sich der Skalenbereich des Voltmeters anpassen.
Ansicht durch Anklicken vergrößern
sich herkömmliche LCD Voltmeter, die man bereits für kleines Geld kaufen kann. Einziger Nachteil, jede Anzeige benötigt eine eigene Spannungsversorgung, die zudem noch galvanisch von der Meßspannung getrennt sein muß. Die einfachste Möglichkeit, die Anzeige mit Batterien zu versorgen, kommt jedoch nicht in Frage. Ausserdem soll die Anzeige nicht ununterbrochen laufen, sondern nach Tastendruck nur für einige Minuten aktiv sein. Um das Ganze auch preislich attraktiv zu halten sollte jeder einzelne Anzeigekanal im Bereich von 10 -12 Euro liegen.
erfassen und auf Anzeigen im Heizungsraum zu führen. Die Fühler sollten in die vorhandenen Tauchhülsen in den Pufferspeichern passen, wie z.B. der PT1000 hier rechts im Bild. Die Überwachung aller 16 Meßpunkte ist jedoch nicht möglich, da die Flansche eines Speichers bereits durch die Temperaturfühler der Heizungssteuerung belegt sind. Die Anzeige beschränkt sich daher auf die obersten Meßpunkte in jedem der 4 Speicher, sowie auf 3 vertikale Fühler in einem der Speicher zur Anzeige der Temperaturschichtung. Insgesamt wird die Anzeige also 7 unabhängige Thermometer beinhalten. Als Anzeigen eignen
Mit der neuen Holzvergaserheizung HDG Euro 30 wurden auch 4 Pufferspeicher mit jeweils 800 Litern Wasserinhalt installiert. Jeder der 4 Pufferspeicher verfügt über 4 Flansche in denen sich Thermometer installieren lassen, die Aufschluss über die Verteilung der Wärmeenergie geben.
Da die Pufferspeicher allerdings nach abgeschlossenener Installation komplett gedämmt und verkleidet wurden, war es nicht möglich herkömmliche analoge Einbauthermometer zu verwenden, da diese später nicht mehr sichtbar wären. Es bleibt also nur die Möglichkeit die Temperaturen über Messfühler zu
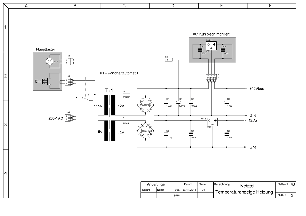
Wie im Blockschaltbild zu erkennen, liegt der Trafo TR1 nach Tastendruck auf den Netztaster an 230V, und versorgt dadurch die Abschaltautomatik mit 12V. Das Relais K1 zieht an und hält die 230V Spannungsversorgung aufrecht, auch wenn der Netztaster wieder losgelassen wird. Über eine zweite Trafowicklung wird eine 12V Busspannung für die Thermometermodule 1 bis 7 bereit gestellt. Nach einer einstellbaren Zeitspanne fällt das Relais K1 in der Abschaltautomatik wieder ab, die 230V Netzspannung wird unterbrochen und die Schaltung fällt bis zum nächsten Tastendruck in den Ruhezustand zurück.
25.02.2012
Das Netzteil zeigt keinerlei Besonderheiten. Zwei herkömmliche Längsregler, die jeweils die gleichgerichtete und gesiebte Spannung auf 12V stabilisieren.
Projektbeschreibung
Elektronik
In der Schaltung werden die Spannungsteiler nochmals über die beiden als Impedanzwandler geschalteten Operationsverstärker gepuffert um Meßfehler zu minimieren. Mit den Trimmern P1 und P2 werden der untere und obere Referenzpunkt eingestellt. Dazu ist der Temperaturfühler PTC1 erst in Eiswasser zu tauchen und mit Trimmer P1 die Anzeige auf 00,0 abzugleichen. Danach kommt der Temperaturfühler in kochendes Wasser und die Anzeige wird mit P2 auf 100,0 eingestellt. Da sich die Einstellungen der Trimmer P1 und P2 leicht beeinflussen, sollte dieser Abgleich mehrmals durchgeführt werden.
Es lassen sich auch andere Temperaturfühler einsetzen, dazu muß meistens auch nur der Widerstand R1 angepasst werden. Er sollte exakt dem Widerstandswert des Temperaturfühlers bei 0C° entsprechen, damit der Spannungsteiler wieder ausgeglichen ist.
Da in der Produktbeschreibung der LCD Anzeigen darauf hingewiesen wird, daß man nicht mehrere Anzeigen an der gleichen Versorgungsspannung betreiben darf, habe ich jedem Meßkanal noch einen kleinen 1 Watt DC/DC Konverter vorgeschaltet und die Ausgangsspannung über einen 78L09 stabilisiert.
Ansicht durch Anklicken vergrößern
Ansicht durch Anklicken vergrößern
Ansicht durch Anklicken vergrößern
Als Gehäuse habe ich mir das Modell ET 233 von Bopla ausgesucht. (Reichelt Bestellnr: BOPLA ET-233). Mit seinen Aussenabmessungen von 250 x 160 x 37mm bietet es genung Platz auf der Frontseite, ist dabei aber flach genug für eine Wandmontage. Da man mittlerweile für fast alle Produkte eine Maßzeichnung oder besser noch einen Download als DXF File bekommt, lassen sich mit deren Hilfe die Platinenabmessungen und die Positionierung der Bauteile wunderbar in einem CAD Programm durchführen.
Die fertig gefräßte Platine sieht dann so aus. Der Bereich um die netzspannungsführenden Leiterbahnen ist freigelegt um Lötbrücken zu vermeiden. Das Layout befindet sich im Downloadbereich.
Die bestückte Platine mit dem auf ein Kühlblech montierten Spannungsregler. Unten rechts die 7 Klemmen für die Temperaturfühler in den Pufferspeichern.
Die Frontplatte, aus 1mm starkem Kunststoff (alu/schwarz) ausgefräßt, wird später auf die Gehäusevorderseite geklebt.
Das fertig montierte Gerät im Betrieb. Die Position der Anzeigen entspricht der Anordnung der Fühler in den Puffern.
Die verwendeten LCD Anzeigen von Reichelt, Typ LDP340LCD sind zwar klein und preisgünstig, aber auch nicht wirklich der Renner. Drei Anzeigen mußte ich direkt umtauschen da die Hintergrundbeleuchtung flackerte oder überhaupt nicht funktionierte. Zwei weitere Anzeigen haben jetzt schon das gleiche Problem. Ausserdem ist die Beleuchtung jeder Anzeige unterschiedlich hell, was man auf dem Foto jedoch nicht erkennen kann. Wer also den Platz im Gehäuse hat oder tiefer in die Tasche greift, sollte auf andere Anzeigen ausweichen.
7- fach Thermometer
für Pufferspeicher
In den Downloads finden sich die zur Verfügung stehenden Dateien
|
Bezeichnung
|
Lieferant
|
Artikelnummer
|
|
|
|
|
|
Gehäuse
|
|
BOPLA ET-233
|
|
Halbleiter, Widerstände, Kondensatoren,
Trimmer, Relais
|
|
|
|
LCD Anzeigen mit Hintergrundbeleuchtung
|
|
LDP340LCD
|
|
DC/DC Konverter
|
|
SIM1-1212S DIL8
|
|
Temperaturfühler und Tauchhülsen
|
|
Kabelfühler- KF
|
|
Transformator
|
|
UI 39/8 212
|
Bezugsquellen
Mechanik