WYSIWYG Web Builder

... und nach dem Bestücken.
Die 7-Segmentanzeigen sind noch nicht auf die Anzeigeplatine gesteckt.
Das dreiteilige Layout einer kompletten Anzeige passt genau auf eine Europkarte mit 100 x 160 mm und wurde mit Target3001 erstellt.
 
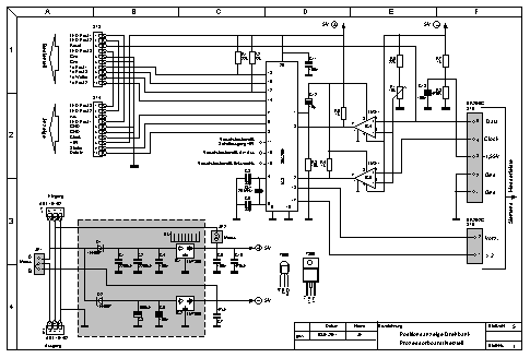
Rainer Radow hat die komplette Schaltung um einen µController vom Typ AT89C2051 aufgebaut, was den zusätzlich Bauteileaufwand doch erheblich minimiert.
Die Schaltung läßt sich in 4 Baugruppen unterteilen:

   1. Netzteil
   2.  Prozessorboard
   3.  Anzeigeeinheit
   4.  Bedienteil


Ich habe Netzteil und Prozessorboard zusammengefasst und die beiden anderen Teile separat gelassen, um verschiedene 7 Segmentanzeigen oder ein anderes Bedienteil leichter anpassen zu können. In den Anmerkungen sind die verschiedensten Aufbau- und Anschlussmöglichkeiten nochmal zusammengefasst.
Im "Original" ist die Positionsanzeige mit SMD Teilen aufgebaut, da ich aber auf SMD verzichten wollte, habe ich entsprechend große 7 Segmentanzeigen verwendet, unter denen auch noch die Anzeigentreiber vom Typ CD4094 Platz finden. Auch habe ich mich wegen der paar Drahtbrücken (10 Stück)  nicht gleich für eine doppelseitige Platine entschieden.
Das Anzeigeboard kann nahezu mit jeder 7-Segment Anzeige aufgebaut werden. Wichtig ist nur die gemeinsame Kathode. Ich habe mich für 20,3mm Ziffernhöhe entschieden, da diese die Anschlüsse seitlich haben und sich somit die Treiber IC noch darunter platzieren lassen.
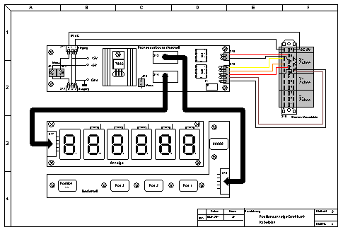
Das Prozessorboard mit Netzteil.
Die Teile für die Spannungserzeugung  im grauen Kasten müssen bei der Kaskadierung mehrerer Module nur auf einem Modul bestückt werden.
Die fertigen Platinen nach dem Fräsen ...


Elektronik
Das Bedienteil ist für die Funktion nicht zwingend notwendig. Sinnvoll ist es jedoch wenigstens den Resettaster   "00000" zwischen Pin 3 und 5 einzubauen.

Die Signale der digitalen Meßschieber, sowie die 9V Versorgungsspannung werden zum einfachen und schnellen Wechsel der Anzeigeeinheit auf verschiedene Maschinen komplett über eine 30 polige Siemens Messerleiste geführt. Auch findet die Codierung der Meßwertverdopplung oder Messwertinvertierung in dieser Steckverbindung statt, womit die Anzeige immer automatisch auf die jeweilige Maschine konfiguriert ist.

Dazu sind einfach die beiden vom Mainboard kommenden Anschlüsse von Stecker ST6 auf der Maschinenseite der Messerleiste entsprechend auf GND zu schalten.

    * Vorzeichenumkehr, Brücke zwischen Pin 9a und 9b auf der Messerleiste
    * Meßwertverdoppelung, Brücke zwischen Pin 8a und 8b auf der Messerleiste
Über drei Jumper oder besser Lötbrücken kann das Netzteil in unterschiedliche Betriebsarten gesetzt werden.

1. Ein Netzteil für mehrere Module
2. Jedes Modul hat sein eigenes Netzteil
3. Ein Anzeigemodul ohne eigenes Netzteil wird von einem anderen Modul oder einem externen Netzteil versorgt

untermenü bezugsquellen untermenü bezugsquellen