Um den ausgedehnten Bruder Fuhrpark meines Sohnes mit dem neuen Lego Radlader 42030 kombinieren zu können mußte eine Adapterplatte her, mit der sich die vielen Bruder Anbauteile, wie z.B. Palettengabel oder Schneeräumschild auch  vor dem Lego Radlader montieren lassen.
WYSIWYG Web Builder
27.04.2015
Bezugsquellen:
 
Kunststoffträger
Bruder Spielwaren
Epoxydplatten
Einseitig beschichtete Epoxyplatine
   
   
   
Die Aufnahmeplatte eines defekten Bruder Frontladers dient dabei als ein Teil der Übergangsplatte. Eine Lösung ist, mit einem guten Kleber oder Epoxydharz ein paar Legosteine an die entsprechenden Positionen zu kleben, oder man fräst sich ein paar passende Kunststoffteile und klebt diese auf.
Die Bruder Trägerplatte, an der die hintere Rasterung noch entfernt werden muß


Dieses Kunststoffgestell wird mit seinen unteren Aussparungen auf den hinteren Querträger des Bruder Teils geklebt. Durch die Bohrungen werden dann die Legoachsen geführt und mit dem Radlader verbunden.
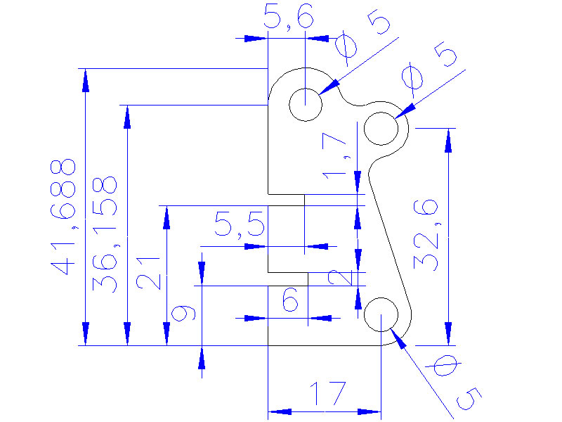
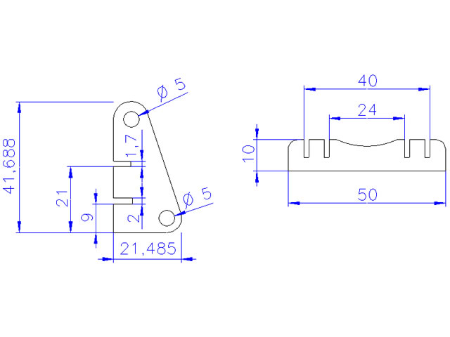
3-D Modell und Zeichnung
Letztendlich habe ich die Teile aus Resten einseitig beschichteter Epoxydplatinen gefräst. Diese lassen sich passgenau bearbeiten, sind extrem stabil und wunderbar mit Epoxydharz zu befestigen. Der hintere Halbkreis mit den Rastlöchern ist bereits entfernt.

Sollte ich noch einmal eine solche Übergangsplatte bauen, dann werde ich folgende Form verwenden, da sich z.B. die Bruder Schaufel nicht optimal ausschütten läßt. Durch die zusätzlichen Löcher wird die Konstruktion weiter nach vorne gekippt.
Die fertige Aufnahme mit Palettengabel