Die Anforderungen an die Drehzahlanzeige sind:
Um eine geeignete Zählerschaltung an die Impulserzeugung der Hauptwelle anpassen zu können, habe ich mir eine passende Lochscheibe mit 60 Schlitzen aus Epoxyd Basismaterial hergestellt, schwarz lakiert und auf die Hauptspindel montiert. Die Impulsaufnahme erfolgt mit einer Gabellichtschranke vom Typ CNY36.
Die stufenlose Drehzahlregelung läßt sich einfach durch einen geeigneten Frequenzumrichter realisieren. Ein Bekannter hat mir ein Gerät vom Typ (Berges ACM-S2) überlassen. Um jedoch die gewünschte Drehzahl auch gezielt einstellen zu können, braucht die Maschine eine Drehzahlanzeige.
Das Poti zur Drehzahleinstellung des Frequenzumrichters und die digitale Drehzahlanzeige der Hauptspindel soll wie bei der Optimum Opti D240x500 G Vario in dem kleinen Bedienfeld oberhalb der Spindel Platz finden. Auf der Frontplatte findet sich noch der Platz für einen Schalter um die Funktion der Kühlmittelpumpe zwischen Dauer- und Automatikbetrieb umschalten zu können.
Ich hatte meine Drehbank, eine Optimum OPTI D 240 x 500 G, seinerzeit in der Grundausstattung mit 400V Drehstrommotor gekauft, da ich das folgende Zubehör selber nachrüsten wollte
1. stufenlose Drehzahlregelung
2. digitale Drehzahlanzeige
3. digitale Positionsanzeige
... die drei Schritte zum Erfolg
| ■ |
Wenige Bauteile und damit geringe Abmessungen |
| ■ |
Weiter Betriebsspannungsbereich |
| ■ |
Universell nutzbar an Drehbank, Fräse oder Ständerbohrmaschine |
| ■ |
Keine exotischen oder abgekündigten Bauteile |
| ■ |
4-stellige 7-Segment LED Anzeige |
| ■ |
Zählerelektronik und Anzeige auf separaten Platinen, um verschiedene 7-Segmentanzeigen nutzen zu können. |
Grafik kann durch Anklicken vergrößert werden
Impulsscheibe mit 60 Schlitzen ...
Mit 60 Schlitzen läßt sich das Impulssignal der Lochscheibe direkt auf einem herkömmlichen Frequenzzähler darstellen. Der Frequenzzähler zeigt dann direkt die Umdrehungen pro Minute an.
Da eine Drehzahlanzeige also nichts anderes als ein Zähler ist, der die von einem geeigneten Abnehmer erzeugten Impulse einer sich drehenden Welle in einem festgelegten Zeitfenster zählt und zur Anzeige bringt, habe ich das Internet nach Frequenzzählern und allgemeinen Zählerschaltungen durchsucht. Bei meinen Recherchen fand ich einige Schaltungen, die sich in zwei Gruppen unterteilen lassen.
1. Zählerschaltungen basierend auf einem Mikroprozessor
2. Zählerschaltungen in diskreter Halbleitertechnik aufgebaut
Auf den ersten Blick bestechen die Schaltungen der ersten Gruppe durch einen geringen Bauteileaufwand und den daraus resultierenden kleinen Abmessungen, sowie der Möglichkeit wichtige und auch unwichtige Zusatzfunktionen in die Programmierung mit einfließen lassen zu können.
Bezieht man jedoch auch das Programmiergerät nebst Programmiersoftware und passendem Rechner mit ein, dann erhöht sich der Aufwand, zumindest am Anfang, doch erheblich. Wer noch niemals einen Mikroprozessor programmiert hat schreckt hier vielleicht erstmal etwas zurück.
In der Linksammlung befindet sich eine Übersicht zum diesen Schaltungen und Programmiergeräten.
Ich selber habe meine Suche auf die diskret aufgebauten Zählerschaltungen beschränkt, und meine Anzeige basierend auf dieser Schaltung aufgebaut:

... montiert auf die Hauptwelle

Das Grundprinzip der Zählerschaltungen ist eigentlich immer gleich. Ein Quarz und ein Teiler erzeugen eine stabile Taktfrequenz und geben zyklisch für die erzeugte Periodendauer den Takteingang eines oder mehrerer Zählerbausteine frei. Diese zählen dann, für den Zeitraum der Periodendauer, die eingehenden Impulse eines Abnehmers an der Hauptspindel und stellen das Ergebnis auf einer mehrstelligen LED 7-Segmentanzeige in Umdrehungen pro Minute dar. Es folgt ein Reset und der Zählvorgang startet von vorne.
Zur Takterzeugung werden IC´s wie der CD 4521 oder 4060 eingesetzt. Als Zähler kommen der 4026, 4553, 40192 oder der bereits abgekündigte und auch nicht gerade preiswerte 74C926 in Frage.
Je nach Zählerbaustein ist noch ein BCD zu 7 Segment Konverter und Treiber dem Zähler nachgeschaltet.
Während der 4553 gleich 3 Anzeigen ansteuern kann, benötigt man beim 4026 pro Segmentanzeige ein eigenes IC, dafür ist aber der BCD zu 7 Segment Konverter und Treiber gleich mit drin.
Eine Ausnahme ist der 74C926, der ist Zähler, BCD zu 7 Segment Konverter und Treiber, und daß gleich für 4-stellige Anzeigen, aber wie gesagt abgekündigt und im Vergleich sehr teuer.
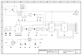
Meine Wahl fiel auf die oben gezeigte Schaltung, die mit dem 4521 als Taktgeber, einigen NAND Gattern zur Signalaufbereitung, zwei 4553 als Zähler und zwei 4511 als Anzeigentreiber aufgebaut ist. Die Schaltung ist einfach und lässt sich in weiten Teilen verändern und anpassen.
Da mein Fundus alles, bis auf einen zweiten Zähler vom Typ 4553 hergab , habe ich die Schaltung erstmal 3-stellig aufgebaut. Hunderter - Zehner - Einer.
Drehzahlen bis 999 U/min wurden auch einwandfrei dargestellt, für höhere Drehzahlen fehlte dann doch die "Tausender" Stelle.
Da jedoch bereits eine weitere Dezimalstelle zwei zusätzliche IC bedeutet hätte, habe ich mir eine andere Lösung einfallen lassen.
Das folgende Beispiel zeigt, wie die Schaltung der 6 stelligen Anzeige auf vier Stellen zusammen schrumpfen kann und sich dabei 2 Anzeigen, ein Zähler und ein Anzeigentreiber einsparen lassen. Dabei sei angemerkt, daß sich diese Schaltung nur noch sehr bedingt für eine herkömmliche Frequenzmessung eignet und der Messfehler astronomisch hoch wäre.
Die Spindeldrehzahl in diesem Beispiel soll konstant 1273 Umdrehungen pro Minute betragen. Der 6-stellige Frequenzzähler würde bei einem Abnehmer mit 60 Impulsen pro Umdrehung und einer Torzeit von einer Sekunde jetzt folgendes anzeigen:
Die linke Stelle ist somit frei geworden, sie würde erst ab Drehzahlen über 9999 wieder angesteuert werden und kann daher nebst Zähler und Anzeigentreiber wegfallen. Die Schaltung ist jetzt also auf einen Zähler vom Typ 4553 und einen Anzeigentreiber 4511 zusammen geschrumpft. Zur Darstellung der Drehzahl ist sie aber nicht wirklich geeignet, da man den angezeigten Wert immer erst mit 10 multiplizieren müßte. Also 10 x 127 = 1270 U/min.
Die ersten beiden 7-Segment Anzeigen können wegfallen, da sie bei Drehzahlen unterhalb von 9999U/min sowieso nicht angesteuert werden.
Die Anzeige wird 4-stellig und sieht dann so aus:
Teilt man nun die Anzahl der Eingangsimpulse vom Drehzahlsensor durch 10, verschiebt sich die Anzeige um eine Stelle nach rechts. Damit fallen in diesem Beispiel zwar die 3 Umdrehungen der Einerstelle unter den Tisch, aber für die Drehzahlanzeige einer Drehbank, Fräs- oder Bohrspindel ist das wohl unerheblich.
Montieren wir aber einfach eine 7- Segmentanzeige ganz rechts, und schalten diese statisch auf den Wert "Null", dann wird die Anzeige wieder vierstellig wobei der "Einer"- Wert immer auf Null stehen bleibt.
Die Null deshalb, damit auch bei Stillstand der Maschine in der Anzeige "0000" erscheint.
Somit haben wir aus der ursprünglichen Schaltung zwei IC´s , zwei 7-Segmentanzeigen und einige Widerstände streichen können.
Damit die gerade genannten Maßnahmen zur Einsparung einiger Bauteile auch erhalten bleiben und nicht ein zusätzlicher 10:1 Teiler im Eingang der Zählerschaltung erforderlich wird, teilt man nicht die von der Lochscheibe kommenden Eingangsimpulse durch 10, sondern erzeugt statt der 60 Impulse pro Umdrehung einfach nur 6 Impulse. Damit ist diese 4-stellige Anzeige auch wieder an den Meßwert angepasst.

Bei meinen Tests mit dieser veränderten Schaltung sind mir aber noch ein paar störende Kleinigkeiten aufgefallen. Steuert man z.B. den Zähler direkt von der Lichtschranke an, dann kann je nach Position der Lochscheibe bei Stillstand der Hauptspindel ein High oder Lowpegel am Clockeingang (Pin 12) anstehen. Bei einem Highpegel übernimmt die Anzeige diesen Wert und zeigt auf der jetzigen Zehnerstelle eine "1" was 10 Umdrehungen entsprechen würde. Dieses Problem habe ich durch das noch freie NAND1 Gatter des 4093 und die Kombination aus Kondensator C1, Widerstand R3 und Diode D1 beseitigt. Den Takteingang erreichen über den Kondensator weiterhin die Impulse des Abnehmers, aber bei Stillstand der Hauptwelle wird der Zählereingang durch den Widerstand auf Lowpegel gezogen. Die Zehnerstelle der Anzeige bleibt somit auf Null.
Weiterhin war mir die Torzeit von einer Sekunde für die Erfassung der Drehzahlen doch etwas zu hoch, die Anzeige folgte einer Drehzahländerung immer mit einer gewissen Verzögerung.
Auch diese Tatsache lässt sich einfach und ohne großen Aufwand beseitigen.
Der Taktgeber IC1 stellt an seinen Ausgängen verschiedene Frequenzen zur Verfügung, ich habe einfach die Torzeit auf ¼ Sekunde (IC1 Pin 13) verringert, dadurch wird die Anzeige jetzt statt 1 mal gleich 4 mal pro Sekunde ausgewertet. Noch kleinere Torzeiten machten die Anzeige wieder unruhiger.
Für diese Veränderung der Torzeit muß allerdings die Eingangsfrequenz, also die Lochscheibe angepasst werden.
Die verkürzte Torzeit von ¼ Sekunde gibt dem Zähler auch nur die Zeit ¼ der Eingangsimpulse zu zählen, daher muß die Lochscheibe jetzt 4 mal mehr Impulse pro Umdrehung erzeugen, aus den 6 Schlitzen wurden also letztendlich 24 Schlitze.
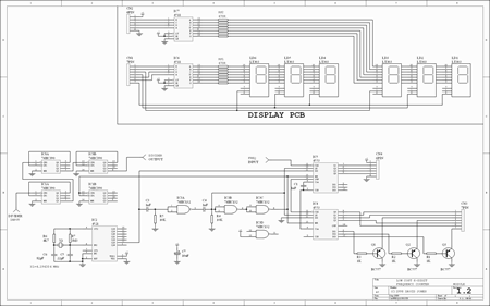
Die Platinen sind in 3 Bereiche unterteilt, und ermöglichen eine flexiblere Anpassung an verschiedenen 7 Segmentanzeigen. Vorraussetzung ist immer eine gemeinsame Kathode der Anzeigen.
* Taktgenerator, Impulsaufbereitung, Zähler und Anzeigentreiber, Netzteil
* Anzeige
* Gabellichtschranke
Die Hauptplatine ist mit der Anzeige über zwei Steckerleisten (10pol und 3pol) verbunden. Die Platinen werden über Stehbolzen direkt hinter die Frontplatte geschraubt. Layout, Schaltplan und Bestückung im Downloadbereich.
Die unbestückten Platinen
die Impulsscheibe mit 24 Schlitzen
das fertig bestückte und montierte Modul
... und das funktionierende Anzeigemodul
08.03.2011
Die abgeänderte Schaltung sieht nun so aus:
IC1 erzeugt in Verbindung mit dem 4,194304 MHz Quarz ein sehr genaues Taktsignal . Teilt man die ungewöhnliche Frequenz von 4,194304 Mhz durch 222, dann steht am Ausgang Q22 - Pin13 von IC1 ein Taktsignal von 1Hz an, bzw. an Ausgang Q21 - Pin14 von IC1 ein Takt von 2Hz. Dieses Taktsignal gelangt direkt auf den Disable Eingang Pin11 von IC2 und gibt somit den Takteingang Pin 12 des Zählers für den Zeitraum der positiven Signalflanke frei. Es werden jetzt alle Impulse, die von der Gabellichtschranke über den Differenzierer und das NAND1 Gatter ankommen solange gezählt, bis das Taktsignal von IC1 wieder abfällt. Jetzt erhält der Latch Enable Eingang von IC2 einen kurzen Impuls über das NAND2 Gatter und übergibt sein Zählerergebnis an die Anzeige IC3, um kurz darauf über die Gatter NAND 3 und 4 mit einem Masterreset wieder auf Null zurück gesetzt zu werden. Der Zählvorgang beginnt mit dem nächsten positiven Taktsignal von IC1. Die Ansteuerung des Digitalpunktes in der Einer-Stelle vom Taktsignal aus hat keinen Einfluss auf die Funktion und kann daher auch entfallen.
Da der Betriebsspannungsbereich der CMOS Bausteine zwischen 5 und 15 Volt liegen darf, läßt sich die Spannungsversorgung um den Spannungsregler an vorhandene Spannungsquellen anpassen. Man sollte dabei darauf achten, daß die Spannungsdifferenz zwischen Ein- und Ausgangsspannung des Spannungsreglers nicht zu groß ist. Evtl. muß der Spanungsregler durch ein kleines Alublech gekühlt werden. Ebenso sollte der Wert des Widerstandes R1 bei höherer Betriebspannung vergrößert werden.
Durch den Gleichrichter im Eingang lassen sich sowohl Gleich, wie auch Wechselspannungsnetzteile anschließen, die wenigstens 300mA liefern.


Zähler und Netzteil
Display
Grafik durch Anklicken vergrößern
Grafik durch Anklicken vergrößern